DC Test Block - Main View
DC Test Block - Image1
DC Test Block - Image2

DC Test Block

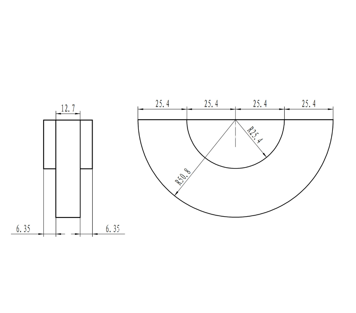
    The DC Calibration Block is designed for precise shear wave distance calibration, ensuring your ultrasonic testing equipment is accurately set up for defect detection. Featuring a unique dual-radius configuration on a 180° segment, this block complies with ASTM E164 and BRR/AWS X-1 standards, meeting industry requirements for consistent performance.


    Industry Standard: Manufactured as per ASTM E164 and BRR/AWS X-1 guidelines.

    Accurate Dual Radii: Contains 25.4 mm & 50.8 mm radii on a 180° segment for precise distance checks.

    Protective Case: Delivered in a sturdy plastic case for safe storage and transport.


Download PDF

DC Test Block

Weight1.5 kg
Dimensions5.1 × 2.6 cm
Warranty:12 months
Delivery Time:1-2 weeks
Standard:ASTM E164 and BRR/AWS X-1 specifications
Certificate:Certificate of Conformity and Calibration


No technical specifications available for this product.